Contact Vinidex Customer Service for availability of products on this page.
Contact Vinidex Customer Service for availability of products on this page.
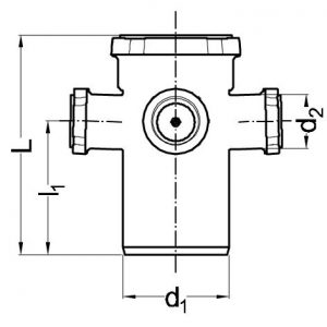
| Vinidex Code | Akatherm Code | Nominal Size (mm) | |||
| 67323 | VKO-110-050-00D | 110 x 50 x 50 x 50 x 50 | |||
| *Longer lead-times apply |