Contact Vinidex Customer Service for availability of products on this page.
Contact Vinidex Customer Service for availability of products on this page.
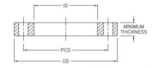
| Vinidex Code | Nominal Size (mm) | OD (mm) | ID (mm) | Min. Thickness (mm) | PCD (mm) | No. Bolts | Bolts Diameter |
| 83454 | 200 | 335 | 252 | 12 | 292 | 8 | M16 |
| 83455 | 225 | 370 | 278 | 12 | 324 | 8 | M16 |
| 83456 | 250 | 405 | 309 | 12 | 356 | 8 | M20 |
| 83457 | 300 | 455 | 349 | 12 | 406 | 12 | M20 |
| 83617 | 375 | ||||||
| 83458 | 400 | 500 | 434 | 12 | 521 | 12 | M24 |